


- Úvod
- Upínacie púzdra H
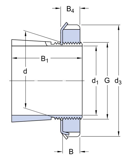
- Upínacie púzdro H 213
Upínacie púzdro H 213

Rýchle odoslanieObjednávky vybavujeme bleskovo – vo väčšine prípadov odosielame ešte v deň prijatia.
Osobný odberPreferujete osobný kontakt? Tovar si môžete pohodlne vyzdvihnúť aj v našej kamennej predajni.
Veľkoobchodná spoluprácaSte veľkoodberateľ alebo výrobca? Ozvite sa nám – pri väčších objemoch ponúkame výhodné množstevné zľavy a individuálny prístup s možnosťou platby na faktúru..
We ship orders across the entire European Union.Customers from abroad can place orders with us, and we ship to all countries within the European Union.- Kompletné špecifikácie
- Parametre
- Súvisiaci tovar2
Upínacie púzdro H 213Skladom5,15 EUR/ ks4,19 EUR bez DPH
Upínacie púzdro H je normalizované strojové príslušenstvo, ktoré slúži na upevnenie valivých ložísk na hriadeľ , či do diery telesa. Púzdra H sú vhodné len pre ložiská s kužeľovou dierou !
Upínacie púzdra sa dodávajú kompletne s maticou a poistnou podložkou. Upínacie púzdra sú rozrezané a majú kužeľovitosť vonkajšej časti 1:12.










